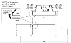
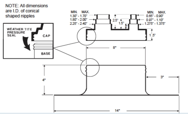
Plasti-Flash with C-212 Cap

The Plasti-Flash with C-212 Cap is a reliable roof penetration flashing designed to accommodate up to two pipes from 0.375"–1" and two pipes from 1"–2" in diameter. It features a durable .090 PVC base unit with a 4" height and 14" square footprint, a collared opening with dual beaded sealing rings, and a white compression-molded EPDM C-212 cap equipped with stainless steel Snaplock Clamps. The system installs easily following Portals Plus and roofing membrane manufacturer guidelines.