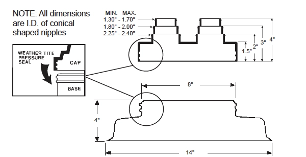
Pipe Portal with C-412 Cap

  • Furnish and install the Portals Plus Pipe Portal System at all points where up to four pipes 1" - 2" in diameter penetrate the roof. 
  • The Pipe Portal shall include an 18 gauge galvanized roof curb model RC-___A with integral base plate, continuously welded corner seams, factory-installed wood nailer, and 1.5" 3lb. rigid fiberglass insulation. 
  • The Pipe Portal shall be furnished with a laminated, acrylic coated, ABS plastic curb cover with prepunched holes and molded sealing ring on an 8" collared opening. 
  • An EPDM (Ethylene Propylene Diene Monomer) compression molded cap model C-412 shall be utilized. 
  • All Caps shall include Portals Plus' stainless steel Snaplock Clamps. 
  • Attachment and installation of the Pipe Portal shall be done in accordance with Portals Plus' instructions and the roofing membrane manufacturer's recommendations.